Центробежные вентиляторы CS
(O.ERRE)

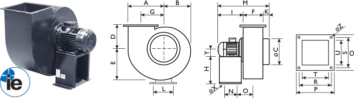
Центробежные вентиляторы с односторонним всасыванием CS оснащены энергоэффективным асинхронным двигателем и рабочим колесом с загнутыми вперед лопатками. Корпус вентилятора изготавливается из стали и окрашивается в черный цвет. Стандартное положение корпуса вентилятора – CCW 360° (П 0°), конструкция вентилятора позволяет изменять положение корпуса (ниже размещен чертеж и видеофильм). Исполнения с другим направлением вращения (CW) изготавливаются под заказ. Вентиляторы CS 350÷380 оснащены монтажным кронштейном. Степень защиты электродвигателя IP 55.

Преимущества вентиляторов CS

  • Низкое энергопотребление: повышенный КПД двигателя снижает требования к выделенной мощности объекта и эксплуатационные расходы.
  • Высокая эффективность при частичных нагрузках позволяет оптимизировать режимы работы вентиляторов и использовать частотное регулирование в широком диапазоне.
  • Сниженные пусковые токи приводят к существенной экономии на электропроводке и пусковой аппаратуре.
  • Меньший потребляемый ток улучшает температурный режим работы двигателя и его охлаждение при малых оборотах.
  • Улучшенная эргономика за счет низкого уровня шума и вибрации.
  • Длительный срок службы, высокая надежность и повышенная перегрузочная способность за счет снижения рабочей температуры двигателя.

Установка

Вентиляторы можно устанавливать в любом положении.

Регулирование скорости

Регулирование скорости вентиляторов осуществляется с помощью частотного преобразователя.

Защита двигателя

Для обеспечения бесперебойной работы вентиляторы необходимо подключать к сети питания с использованием термозащитного автомата или модуля управления.

Аксессуары

Частотные преобразователи, модули управления, канальные нагреватели и охладители, шумоглушители, воздушные и обратные клапаны, воздушные фильтры, воздухораспределительные и регулирующие устройства и т.д.

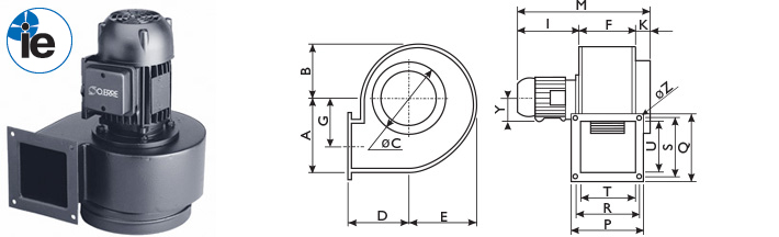
Размеры, мм
 
Модель A B ØC D E F G H Y K I L M N O P Q R S T U ØZ × ØХ
кол-во,
шт
CS 310 4M 139 108 180 127 122 94 91 - 63 42 190 - 326 - - 135 135 114 114 88 90 8,2 × 4 -
CS 310 4T 139 108 180 127 122 94 91 - 63 42 190 - 326 - - 135 135 114 114 88 90 8,2 × 4 -
CS 320 4M 172 128 200 146 150 112 117 - 63 45 190 - 347 - - 152 152 126 126 105 105 8,2 × 4 -
CS 320 4T 172 128 200 146 150 112 117 - 63 45 190 - 347 - - 152 152 126 126 105 105 8,2 × 4 -
CS 330 4T 209 163 250 147 188 141 139 - 71 40 210 - 391 - - 191 191 165 165 134 134 8,2 × 4 -
CS 340 4T 250 194 250 178 222 164 162 - 80 45 240 - 449 - - 225 235 195 205 161 170 8,2 × 4 -
CS 350 4T 290 225 315 210 260 194 192 245 80 50 240 232 484 120 149 255 255 225 225 191 194 8,2 × 4 11
CS 360 4T 290 225 315 210 260 194 192 245 90 50 255 232 499 120 155 255 255 225 225 191 194 8,2 × 4 11
CS 370 4T 334 244 355 230 250 221 210 350 100 50 315 325 586 170 173 284 305 254 275 313 244 10,2 × 4 11
CS 380 4T 429 315 400 300 370 249 280 350 112 62 330 325 641 170 194 310 360 280 330 241 295 9,0 × 8 11
.

Технические характеристики
 
Модель Напря- Номинальн. Ток, Частота Макс. t, Уровень Вес, Схема
жение, мощность, А вращения, °C шума, кг элекро-
В/Гц Вт   об/мин   дБ(А)*   подкл.
CS 310 4M 230/50 110 0,72 1400 50 64 8 14
CS 310 4T 400/50 110 0,40 1400 50 64 8 8
CS 320 4M 230/50 130 0,78 1400 50 67 9 14
CS 320 4T 400/50 130 0,43 1400 50 67 9 8
CS 330 4T 400/50 300 0,70 1400 50 70 11 8
CS 340 4T 400/50 800 1,60 1400 50 73 21 8
CS 350 4T 400/50 1300 2,3 1400 50 76 24 8
CS 360 4T 400/50 1800 3,5 1400 50 80 27 8
CS 370 4T 400/50 2600 5,0 1400 50 84 42 8
CS 380 4T 400/50 4500 9,0 1430 50 88 63 8
 
* Уровень звукового давления на расстоянии 2,0 м в помещении с эквивалентной площадью звукопоглощения 30 м2, дБ(А).
.


 
 
 
 
 
 




Положение корпуса вентилятора



Видеофильм. Изменение положения корпуса вентилятора



Монтаж

  • Все вентиляторы поставляются полностью в собранном виде, готовые к подключению.
  • Электрическое подключение и монтаж должны выполняться только квалифицированным персоналом в соответствии с инструкцией по монтажу.
  • Параметры электропитания должны соответствовать спецификации на табличке вентилятора.
  • Вся электропроводка и соединения должны быть выполнены в соответствии c правилами техники безопасности.
  • Электрическое подключение должно выполняться в соответствии со схемой подключения, приведённой на клеммной коробке, согласно маркировке клемм.
  • Питающее напряжение на вентиляторы всегда должно подаваться через внешнее устройство защиты двигателя.
  • Вентиляторы должны быть заземлены.
  • Вентиляторы должны быть смонтированы таким образом, чтобы имелся доступ для безопасного обслуживания.

Условия работы

  • Вентиляторы не должны эксплуатироваться во взрывоопасных помещениях, недопустимо соединение с дымоходами.
  • Вентиляторы не допускается использовать для перемещения взрывчатых газов, пыли, сажи, муки и т.п.
  • Вентиляторы предназначены для непрерывной работы. Не рекомендуется производить частое включение и выключение вентиляторов.

Обслуживание

Единственное требуемое обслуживание – очистка. Рекомендуется производить осмотр и очистку вентилятора каждые шесть месяцев непрерывной эксплуатации для предотвращения разбалансировки или преждевременного выхода из строя.

Перед обслуживанием убедитесь, что

  • Прекращена подача напряжения.
  • Рабочее колесо вентилятора полностью остановилось.
  • Двигатель и рабочее колесо полностью остыли.

При очистке вентилятора

  • Не используйте агрессивные моющие средства, острые предметы и устройства, работающие под высоким давлением.
  • Следите, чтобы не нарушилась балансировка рабочего колеса вентилятора и отсутствовали его перекосы.
  • В случае ненормально высокого шума работы вентилятора проверьте рабочее колесо на перекос.
  • Подшипники, в случае повреждения, подлежат замене.

В случае неисправности

  • Проверить, поступает ли напряжение на вентилятор.
  • Отключить напряжение и убедиться, что рабочее колесо не заблокировано и не сработало внешнее устройство термозащиты двигателя.
  • Проверить подключение конденсатора (1-фазные). Если после проверки вентилятор не включается или срабатывает внешнее устройство термозащиты двигателя, свяжитесь с вашим поставщиком.
  • В случае возврата вентилятора – очистить рабочее колесо, двигатель и соединительные провода не должны иметь повреждений; обязательно наличие письменного описания неисправности – заявления.




Последнее обновление 18.07.16
Производитель оставляет за собой право вносить изменения в продукцию без предварительного уведомления.
Внешний вид и характеристики продукции могут отличаться от представленных на сайте.
Дополнения 10.10.16