Диффузоры вихревые DZA
(Polar Bear)


Вихревые диффузоры DZA предназначены для подачи воздуха системами вентиляции и кондиционирования в помещениях общественного и производственного назначения больших объемов и/или с высокими потолками (концертные, спортивные, выставочные залы, стадионы, торговые комплексы, производственные цеха, вокзалы, ангары и т. п.) закрученными струями из верхней зоны помещений. Их можно использовать для формирования горизонтальных, вертикальных или смешанных воздушных струй.

Диффузоры DZA состоят из корпуса, в котором установлена подвижная цилиндрическая вставка с раструбом, закручивателями на выходе и центральным цилиндром с крышкой. Конструкция диффузора позволяет вращением центральной вставки регулировать форму струи от горизонтальной веерной при подаче охлажденного воздуха (вставка полностью ввернута, крышка полностью закрыта) до вертикальной конической при подаче подогретого воздуха (вставка полностью вывернута, крышка полностью открыта).

Выпускается три исполнения диффузоров:

  • DZA — диффузор с ручным регулированием;
  • DZA...E1 — диффузоры с электроприводом (2-х позиционное управление);
  • DZA...E2 — диффузоры с электроприводом (пропорциональное управление 0...10 В).

Диффузоры DZA...E1, DZA...E2 позволяют реализовать систему с автоматическим изменением схемы воздухораспределения в зависимости от времени года (кондиционирование/вентиляция/воздушное отопление).

Монтаж диффузоров осуществляется с помощью присоединительного патрубка, который крепится к воздуховоду саморезами или заклепками.

Диффузоры изготавливаются из стали и окрашиваются методом порошкового напыления в белый цвет (RAL 9010).


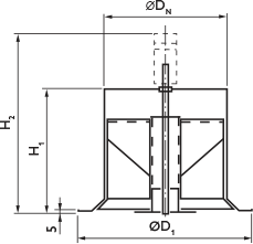
Характеристики воздухораспределителей DZA
Модель ∅DN, ∅D1, H1, H2, Вес, 
мм мм мм мм кг
DZA 315 314 466 245 445 6,8
DZA 400 397 625 256 456 7,4
DZA 500 497 765 317 517 11,6
DZA 630 628 932 469 669 17,7
DZA 710 708 1240 515 715 31,0
DZA 315-E1 (E2) 314 466 245 445 7,6
DZA 400-E1 (E2) 397 625 256 456 8,0
DZA 500-E1 (E2) 497 765 317 517 13,0
DZA 630-E1 (E2) 628 932 469 669 19,0
DZA 710-E1 (E2) 708 1240 515 715 32,5
.

DZA 315



Нагрев



Охлаждение



DZA 400



Нагрев



Охлаждение



DZA 500



Нагрев



Охлаждение



DZA 630



Нагрев



Охлаждение



DZA 710



Нагрев



Охлаждение

Рекомендуемый предельный диапазон перепада температур подаваемого воздуха и помещения (Δt0max) должен составлять для нагретой струи от 0К до 15К, для охлажденной струи от −12К до 0К.



Выбор расстояния между диффузорами

Алгоритм подбора:

  • Исходя из технического задания, по графикам падения давления и дальнобойности диффузоров проводится предварительный аэродинамический расчет, и определяются типоразмер, количество диффузоров, расход воздуха для данного типоразмера и высота их установки.
  • В зависимости от требуемой высоты установки (точка 1) и температуры в помещении (точка 2) по верхнему графику определяется максимальный удельный расход воздуха на единицу площади обслуживаемой зоны помещения (точка 3).
  • По величине максимального удельного расхода воздуха (точка 3) и расходу воздуха через каждый диффузор (точка 4) на нижнем графике находим минимальное допустимое расстояние между диффузорами (точка 5). Реальное расстояние между диффузорами всегда должно быть больше полученного значения.

Примечание: Если полученное значение минимально допустимого расстояния вызывает затруднение при размещении рассчитанного количества диффузоров в данном помещении, необходимо скорректировать расход воздуха через каждый диффузор, типоразмер и/или количество диффузоров.



Шумовые характеристики
Октавный уровень звуковой мощности и корректированный уровень звуковой мощности определяются по формулам:
Lwокт = Lp10A + Kокт, LwA = Lp10A + 4
где: Lwокт, дБ – октавный уровень звуковой мощности;
Lp10A, дБ(А) – уровень звука (корректированный уровень звукового давления для помещения с эквивалентной площадью звукопоглощения 10 м2) определяется по диаграмме;
Kокт – поправочный коэффициент;
LwA, дБ(А) – корректированный уровень звуковой мощности.
Модель Поправочный коэффициент Kокт, дБ
63 125 250 500 1000 2000 4000 8000
DZA 315 6 1 0 -2 -6 -11 -15 -23
DZA 400 4 0 -2 -4 -7 -11 -16 -26
DZA 500 3 -1 -1 -2 -5 -7 -14 -25
DZA 630 3 0 -2 -3 -5 -9 -13 -24
DZA 710 2 0 -2 -3 -6 -11 -13 -26
.


Форма струи

Охлаждение Δt0 = −12K

Вставка полностью ввернута,

крышка полностью закрыта

Нагрев Δt0 = +15K

Вставка полностью вывернута,

крышка полностью открыта

Последнее обновление 20.12.21
Производитель оставляет за собой право вносить изменения в продукцию без предварительного уведомления.
Внешний вид и характеристики продукции могут отличаться от представленных на сайте.