|
|
Канальные вентиляторы KVFU
(Ostberg)
Настенные вентиляторы KVFU оснащены асинхронным двигателем с внешним ротором и рабочим колесом с загнутыми назад лопатками. Корпус вентиляторов изготавливается из оцинкованной стали.
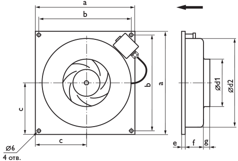
Вентиляторы KVFU имеют типоразмеры от 100 до 315 мм предназначены для соединения с воздуховодами круглого сечения. Степень защиты электродвигателя IP 44, клеммной коробки – IP 54.
Установка
Вентиляторы могут быть установлены в любом положении.
Регулирование скорости
Регулирование скорости вентиляторов осуществляется в диапазоне от 0 до 100% с помощью электронного или 5-ступенчатого регулятора скорости. К одному регулятору скорости можно подключить несколько вентиляторов при условии, что общий рабочий ток вентиляторов не превышает номинальный ток регулятора скорости.
Защита двигателя
Все двигатели имеют встроенный термоконтакт с автоматическим перезапуском.
Аксессуары
Регуляторы скорости, модули управления, канальные нагреватели и охладители, шумоглушители, воздушные и обратные клапаны, воздушные фильтры, воздухораспределительные и регулирующие устройства и т.д.
|
|
|
| Технические характеристики |
| |
| Модель |
Напря- |
Ном. |
Ток, |
Частота |
Макс. |
Размеры, мм |
Вес, |
Схема |
| жение, |
мощн., |
А |
вращ., |
t, °С |
кг |
эл. |
| В/Гц |
Вт |
|
об/мин |
|
a |
b |
c |
Ød1 |
Ød2 |
e |
f |
g |
|
подкл. |
| KVFU 100 A |
230/50 |
41 |
0,18 |
1730 |
60 |
310 |
295 |
140 |
100 |
240 |
7 |
80 |
24 |
2,3 |
2 |
| KVFU 100 C |
230/50 |
62 |
0,27 |
2530 |
60 |
310 |
295 |
140 |
100 |
240 |
7 |
80 |
24 |
2,3 |
1 |
| KVFU 125 A |
230/50 |
40 |
0,18 |
1640 |
60 |
310 |
295 |
140 |
125 |
240 |
7 |
80 |
24 |
2,3 |
2 |
| KVFU 125 C |
230/50 |
62 |
0,27 |
2480 |
70 |
310 |
295 |
140 |
125 |
240 |
7 |
80 |
24 |
2,3 |
1 |
| KVFU 160 B |
230/50 |
62 |
0,27 |
2540 |
60 |
335 |
320 |
155 |
160 |
268 |
7 |
70 |
30 |
2,4 |
1 |
| KVFU 160 C |
230/50 |
105 |
0,44 |
2480 |
65 |
400 |
385 |
195 |
160 |
342 |
10 |
92 |
26 |
3,1 |
1 |
| KVFU 200 A |
230/50 |
115 |
0,50 |
2580 |
60 |
400 |
385 |
195 |
200 |
342 |
10 |
83 |
34 |
3,3 |
1 |
| KVFU 200 B |
230/50 |
144 |
0,63 |
2720 |
60 |
400 |
385 |
195 |
200 |
342 |
10 |
83 |
34 |
4,0 |
1 |
| KVFU 250 A |
230/50 |
120 |
0,53 |
2680 |
60 |
400 |
385 |
195 |
250 |
342 |
10 |
83 |
33 |
3,3 |
1 |
| KVFU 250 B |
230/50 |
146 |
0,63 |
2740 |
60 |
400 |
385 |
195 |
250 |
342 |
10 |
83 |
33 |
4,0 |
1 |
| KVFU 315 B |
230/50 |
190 |
0,84 |
2465 |
50 |
460 |
445 |
225 |
315 |
400 |
12 |
112 |
34 |
4,9 |
1 |
| KVFU 315 C |
230/50 |
274 |
1,19 |
2500 |
50 |
460 |
445 |
225 |
315 |
400 |
12 |
112 |
34 |
5,3 |
1 |
.
|
|
| Шумовые характеристики |
|
| Модель |
|
LpA |
LwA |
LwA |
| дБ(A) |
tot |
63 |
125 |
250 |
500 |
1000 |
2000 |
4000 |
8000 |
| KVFU 100 A |
К входу |
59 |
66 |
45 |
56 |
64 |
60 |
58 |
52 |
45 |
38 |
| К окружению |
36 |
43 |
35 |
21 |
33 |
35 |
39 |
37 |
37 |
31 |
| KVFU 100 C |
К входу |
63 |
70 |
50 |
61 |
66 |
65 |
65 |
59 |
52 |
46 |
| К окружению |
42 |
49 |
34 |
23 |
40 |
40 |
44 |
42 |
44 |
38 |
| KVFU 125 A |
К входу |
60 |
67 |
44 |
51 |
66 |
60 |
56 |
52 |
47 |
39 |
| К окружению |
36 |
43 |
35 |
20 |
35 |
34 |
38 |
38 |
36 |
30 |
| KVFU 125 C |
К входу |
63 |
70 |
49 |
55 |
64 |
67 |
64 |
60 |
55 |
48 |
| К окружению |
42 |
49 |
36 |
25 |
39 |
39 |
44 |
43 |
45 |
36 |
| KVFU 160 B |
К входу |
62 |
69 |
48 |
54 |
64 |
65 |
63 |
58 |
53 |
48 |
| К окружению |
42 |
49 |
35 |
24 |
39 |
40 |
45 |
44 |
44 |
32 |
| KVFU 160 C |
К входу |
66 |
73 |
52 |
60 |
64 |
68 |
69 |
64 |
64 |
54 |
| К окружению |
49 |
56 |
35 |
34 |
42 |
49 |
54 |
47 |
48 |
35 |
| KVFU 200 A |
К входу |
65 |
72 |
52 |
60 |
64 |
67 |
66 |
64 |
65 |
55 |
| К окружению |
47 |
54 |
34 |
31 |
42 |
46 |
50 |
47 |
48 |
34 |
| KVFU 200 B |
К входу |
68 |
75 |
57 |
63 |
70 |
69 |
66 |
64 |
61 |
59 |
| К окружению |
45 |
52 |
27 |
34 |
41 |
46 |
48 |
44 |
44 |
35 |
| KVFU 250 A |
К входу |
67 |
74 |
51 |
60 |
67 |
67 |
69 |
68 |
64 |
55 |
| К окружению |
47 |
54 |
26 |
30 |
34 |
47 |
52 |
47 |
44 |
38 |
| KVFU 250 B |
К входу |
68 |
75 |
58 |
61 |
71 |
65 |
70 |
65 |
64 |
64 |
| К окружению |
46 |
53 |
30 |
31 |
42 |
46 |
49 |
46 |
43 |
38 |
| KVFU 315 B |
К входу |
67 |
74 |
54 |
56 |
61 |
65 |
65 |
70 |
67 |
65 |
| К окружению |
47 |
54 |
28 |
35 |
43 |
48 |
49 |
50 |
45 |
41 |
| KVFU 315 C |
К входу |
68 |
75 |
58 |
60 |
67 |
66 |
66 |
72 |
68 |
66 |
| К окружению |
50 |
57 |
30 |
35 |
44 |
51 |
51 |
53 |
50 |
43 |
| |
| LwA tot – общий уровень шума, дБ(А) |
| LwA – уровень шума в октавном диапазоне, дБ(А) |
| LpA – уровень звукового давления на расстоянии 3,0 м в
помещении с эквивалентной площадью звукопоглощения 20 м2, дБ(А). |
|
|
|
| Номер
кривой на графике |
5 |
4 |
3 |
2 |
1 |
| Напряжение, В |
230 |
165 |
135 |
110 |
80 |
.
|
|
|
Монтаж
- Все вентиляторы поставляются полностью в собранном виде, готовые к подключению.
- Электрическое подключение и монтаж должны выполняться только квалифицированным персоналом в соответствии с инструкцией по монтажу.
- Параметры электропитания должны соответствовать спецификации на табличке вентилятора.
- Вся электропроводка и соединения должны быть выполнены в соответствии c правилами техники безопасности.
- Электрическое подключение должно выполняться в соответствии со схемой подключения, приведённой на клеммной коробке, согласно маркировке клемм.
- Вентиляторы должны быть заземлены.
- Вентилятор должен быть установлен в соответствии с направлением потока воздуха (см. стрелку на вентиляторе).
- Вентиляторы должны быть смонтированы таким образом, чтобы имелся доступ для безопасного обслуживания.
Условия работы
- Вентиляторы не должны эксплуатироваться во взрывоопасных помещениях, недопустимо соединение с дымоходами.
- Вентиляторы не допускается использовать для перемещения взрывчатых газов, пыли, сажи, муки и т.п.
- Вентиляторы предназначены для непрерывной работы. Не рекомендуется производить частое включение и выключение вентиляторов.
Обслуживание
Единственное требуемое обслуживание – очистка. Рекомендуется производить осмотр и очистку вентилятора каждые шесть месяцев непрерывной эксплуатации для предотвращения дисбаланса или преждевременного выхода из строя.
Перед обслуживанием убедитесь, что
- Прекращена подача напряжения.
- Рабочее колесо вентилятора полностью остановилось.
- Двигатель и рабочее колесо полностью остыли.
При очистке вентилятора
- Не используйте агрессивные моющие средства, острые предметы и устройства, работающие под высоким давлением.
- Следите, чтобы не нарушилась балансировка рабочего колеса вентилятора и отсутствовали его перекосы.
- В случае ненормально высокого шума работы вентилятора проверьте рабочее колесо на перекос.
- Подшипники, в случае повреждения, подлежат замене.
B случае неисправности
- Проверить, поступает ли напряжение на вентилятор.
- Отключить напряжение и убедиться, что рабочее колесо не заблокировано и не сработало устройство защиты двигателя (термоконтакт).
- Проверить подключение конденсатора. Если после проверки вентилятор не включается или перезапускается термоконтакт, свяжитесь с вашим поставщиком.
- В случае возврата вентилятора – очистить рабочее колесо, двигатель и соединительные провода не должны иметь повреждений; обязательно наличие письменного описания неисправности — заявления.
|
|
Последнее обновление 06.10.17
Производитель оставляет за собой право вносить изменения в продукцию без предварительного уведомления.
Внешний вид и характеристики продукции могут отличаться от представленных на сайте.
|