|
|
Канальные вентиляторы KVFU EC
(Ostberg)
Настенные вентиляторы KVFU EC оснащены электронно-коммутируемым двигателем (EC-двигателем) с внешним ротором и рабочим колесом с загнутыми назад лопатками. Корпус вентиляторов изготавливается из оцинкованной стали.
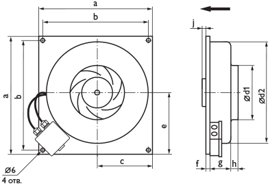
Вентиляторы KVFU EC имеют типоразмеры от 100 до 315 мм и предназначены для соединения с воздуховодами круглого сечения. Степень защиты электродвигателя IP 44 или IP 54 (см. таблицу "Технические характеристики"), клеммной коробки – IP 54.
Преимущества вентиляторов KVFU EC
- Низкое энергопотребление. Высокий КПД двигателя (более 90%) позволяет снизить эксплуатационные затраты минимум на 30%.
- Плавная и точная регулировка. Управление вентилятором осуществляется при помощи управляющего сигнала 0–10 В. При изменении значения управляющего сигнала вентилятор изменяет скорость вращения и подаёт ровно столько воздуха, сколько необходимо для вентиляционной системы.
- Пусковые токи сведены к минимуму, так как встроенная электронная система управления при запуске вентилятора плавно доводит величину тока от минимальных значений до рабочего. Благодаря этому, достигается существенная экономия на электропроводке и пусковой аппаратуре.
- Низкий уровень шума в режиме малых оборотов.
- Длительный срок службы, высокая надежность и повышенный ресурс работы из-за отсутствия трущихся и изнашивающихся деталей.
Установка
Вентиляторы могут быть установлены в любом положении.
Регулирование скорости
Регулирование скорости вентиляторов осуществляется в диапазоне от
0 до 100% с помощью встроенного потенциометра или внешним сигналом 0–10 В. Потенциометр установлен в клеммной коробке и при необходимости управления внешним регулятором встроенный потенциометр необходимо отключить.
Защита двигателя
Все двигатели оснащены встроенной защитой от перегрузки.
Аксессуары
Регуляторы скорости, модули управления, канальные нагреватели и охладители, шумоглушители, воздушные и обратные клапаны, воздушные фильтры, воздухораспределительные и регулирующие устройства и т.д.
|
|
|
| Технические характеристики |
| |
| Модель |
Напря- |
Ном. |
Ток, |
Частота |
Макс. |
Степень |
Размеры,
мм |
Вес, |
Схема |
| жение, |
мощн. |
А |
вращ., |
t, °С |
защиты |
кг |
эл. |
| В/Гц |
Вт |
|
об/мин |
|
эл/двиг. |
a |
b |
c |
Ød1 |
Ød2 |
e |
f |
g |
h |
j |
|
подкл. |
| KVFU 100 C EC |
230/50 |
100 |
0,79 |
3570 |
60 |
IP 54 |
310 |
295 |
140 |
100 |
240 |
170 |
7 |
91 |
21 |
24 |
2,7 |
30 |
| KVFU 125 C EC |
230/50 |
98 |
0,79 |
3550 |
60 |
IP 54 |
310 |
295 |
140 |
125 |
240 |
170 |
7 |
91 |
20 |
24 |
2,7 |
30 |
| KVFU 160 B EС |
230/50 |
98 |
0,81 |
3550 |
60 |
IP 54 |
335 |
320 |
155 |
160 |
268 |
180 |
7 |
80 |
25 |
24 |
2,8 |
30 |
| KVFU 160 C EC |
230/50 |
125 |
0,97 |
2870 |
60 |
IP 54 |
400 |
385 |
195 |
160 |
342 |
205 |
10 |
100 |
26 |
20 |
3,3 |
30 |
| KVFU 200 A EC |
230/50 |
122 |
0,96 |
2840 |
60 |
IP 54 |
400 |
385 |
195 |
200 |
342 |
205 |
10 |
98 |
28 |
20 |
3,4 |
30 |
| KVFU 200 B EC |
230/50 |
154 |
1,20 |
3260 |
50 |
IP 44 |
400 |
385 |
195 |
200 |
342 |
205 |
10 |
98 |
28 |
21 |
3,6 |
31 |
| KVFU 250 A EС |
230/50 |
122 |
0,96 |
2870 |
60 |
IP 54 |
400 |
385 |
195 |
250 |
342 |
205 |
10 |
94 |
31 |
20 |
3,4 |
30 |
| KVFU 250 B EC |
230/50 |
152 |
1,18 |
3300 |
50 |
IP 44 |
400 |
385 |
195 |
250 |
342 |
205 |
10 |
94 |
31 |
21 |
3,6 |
31 |
| KVFU 315 B EC |
230/50 |
158 |
1,23 |
2930 |
50 |
IP 44 |
460 |
445 |
225 |
315 |
400 |
235 |
12 |
128 |
29 |
19 |
4,4 |
31 |
| KVFU 315 C EC |
230/50 |
219 |
0,99 |
2530 |
60 |
IP 54 |
460 |
445 |
225 |
315 |
400 |
235 |
12 |
120 |
37 |
43 |
5,9 |
31 |
.
|
|
| Шумовые характеристики |
|
| Модель |
|
LpA |
LwA |
LwA |
| дБ(A) |
tot |
63 |
125 |
250 |
500 |
1000 |
2000 |
4000 |
8000 |
| KVFU 100 C EC |
К входу |
73 |
80 |
55 |
68 |
73 |
76 |
69 |
69 |
67 |
54 |
| К
выходу |
73 |
80 |
40 |
49 |
59 |
69 |
76 |
75 |
67 |
55 |
| К
окружению |
46 |
53 |
28 |
34 |
44 |
45 |
49 |
45 |
45 |
35 |
| KVFU 125 C EC |
К входу |
71 |
78 |
55 |
65 |
72 |
74 |
69 |
69 |
67 |
56 |
| К
выходу |
73 |
80 |
40 |
48 |
58 |
69 |
76 |
76 |
68 |
56 |
| К
окружению |
46 |
53 |
36 |
30 |
43 |
44 |
49 |
43 |
46 |
38 |
| KVFU 160 B EС |
К входу |
68 |
75 |
58 |
63 |
69 |
70 |
66 |
65 |
63 |
55 |
| К
выходу |
71 |
78 |
42 |
49 |
59 |
68 |
74 |
74 |
67 |
56 |
| К
окружению |
48 |
55 |
30 |
32 |
43 |
48 |
50 |
50 |
44 |
34 |
| KVFU 160 C EC |
К входу |
67 |
74 |
55 |
64 |
69 |
68 |
63 |
65 |
62 |
52 |
| К
выходу |
70 |
77 |
43 |
49 |
60 |
70 |
74 |
71 |
66 |
57 |
| К
окружению |
46 |
53 |
26 |
30 |
39 |
48 |
48 |
47 |
43 |
33 |
| KVFU 200 A EC |
К входу |
67 |
74 |
55 |
64 |
69 |
68 |
63 |
65 |
62 |
52 |
| К
выходу |
69 |
76 |
45 |
50 |
62 |
70 |
73 |
70 |
63 |
54 |
| К
окружению |
47 |
54 |
30 |
35 |
44 |
49 |
50 |
48 |
44 |
32 |
| KVFU 200 B EC |
К входу |
71 |
78 |
60 |
70 |
73 |
71 |
68 |
69 |
68 |
57 |
| К
выходу |
74 |
81 |
47 |
53 |
64 |
74 |
78 |
76 |
70 |
59 |
| К
окружению |
51 |
58 |
31 |
36 |
43 |
56 |
51 |
49 |
45 |
34 |
| KVFU 250 A EC |
К входу |
77 |
84 |
66 |
76 |
79 |
77 |
74 |
75 |
74 |
63 |
| К
выходу |
71 |
78 |
47 |
52 |
65 |
71 |
74 |
72 |
64 |
56 |
| К
окружению |
51 |
58 |
31 |
35 |
45 |
52 |
51 |
54 |
45 |
33 |
| KVFU 250 B EC |
К входу |
73 |
80 |
61 |
70 |
75 |
74 |
69 |
71 |
68 |
58 |
| К
выходу |
75 |
82 |
50 |
56 |
68 |
75 |
78 |
77 |
71 |
60 |
| К
окружению |
55 |
62 |
38 |
43 |
50 |
56 |
56 |
57 |
51 |
38 |
| KVFU 315 B EС |
К входу |
71 |
78 |
65 |
71 |
69 |
67 |
67 |
71 |
69 |
58 |
| К
выходу |
70 |
77 |
52 |
58 |
63 |
70 |
72 |
72 |
68 |
55 |
| К
окружению |
50 |
57 |
29 |
38 |
46 |
50 |
51 |
51 |
46 |
35 |
| KVFU 315 C EC |
К входу |
70 |
77 |
54 |
59 |
62 |
68 |
68 |
73 |
70 |
70 |
| К
выходу |
70 |
77 |
37 |
50 |
57 |
70 |
72 |
72 |
67 |
65 |
| К
окружению |
52 |
59 |
22 |
30 |
46 |
53 |
52 |
55 |
48 |
39 |
| |
| LwA tot – общий уровень шума, дБ(А) |
| LwA – уровень шума в октавном диапазоне, дБ(А) |
| LpA – уровень звукового давления на расстоянии 3,0 м в
помещении с эквивалентной площадью звукопоглощения 20 м2, дБ(А). |
|
|
|
| Номер
кривой на графике |
4 |
3 |
2 |
1 |
| Сигнал управления, В |
10 |
8 |
7 |
5 |
.
|
|
|
| Номер
кривой на графике |
5 |
4 |
3 |
2 |
1 |
| Сигнал управления, В |
10 |
8,5 |
8 |
7 |
5 |
.
|
Монтаж
- Все вентиляторы поставляются в полностью собранном виде, готовые к подключению.
- Электрическое подключение и монтаж должны выполняться только квалифицированным персоналом в соответствии с инструкцией по монтажу.
- Параметры электропитания должны соответствовать спецификации на табличке вентилятора.
- Вся электропроводка и соединения должны быть выполнены в соответствии c правилами техники безопасности.
- Электрическое подключение должно выполняться в соответствии со схемой подключения, приведённой на клеммной коробке, согласно маркировке клемм.
- Вентиляторы должны быть заземлены.
- При необходимости управления внешним регулятором встроенный потенциометр необходимо отключить.
- Вентилятор должен быть установлен в соответствии с направлением потока воздуха (см. стрелку на вентиляторе).
- Вентиляторы должны быть смонтированы таким образом, чтобы имелся доступ для безопасного обслуживания.
Условия работы
- Вентиляторы не должны эксплуатироваться во взрывоопасных помещениях, недопустимо соединение с дымоходами.
- Вентиляторы не допускается использовать для перемещения взрывчатых газов, пыли, сажи, муки и т.п.
- Вентиляторы предназначены для непрерывной работы. Не рекомендуется производить частое включение и выключение вентиляторов.
Обслуживание
Единственное требуемое обслуживание – очистка. Рекомендуется производить осмотр и очистку вентилятора каждые шесть месяцев непрерывной эксплуатации для предотвращения дисбаланса или преждевременного выхода из строя.
Перед обслуживанием убедитесь, что
- Прекращена подача напряжения.
- Рабочее колесо вентилятора полностью остановилось.
- Двигатель и рабочее колесо полностью остыли.
При очистке вентилятора
- Не используйте агрессивные моющие средства, острые предметы и устройства, работающие под высоким давлением.
- Следите, чтобы не нарушилась балансировка рабочего колеса вентилятора и отсутствовали его перекосы.
- В случае ненормально высокого шума работы вентилятора проверьте рабочее колесо на перекос.
- Подшипники, в случае повреждения, подлежат замене.
В случае неисправности
- Проверить, поступает ли напряжение на вентилятор.
- Отключить напряжение и убедиться, что рабочее колесо не заблокировано и не сработала встроенная защита
- двигателя.
- Проверить подключение цепей управления. Если после проверки вентилятор не включается, свяжитесь с вашим поставщиком.
- В случае возврата вентилятора – очистить рабочее колесо; двигатель и соединительные провода не должны иметь повреждений; обязательно наличие письменного описания неисправности — заявления.
|
|
Последнее обновление 23.04.19
Производитель оставляет за собой право вносить изменения в продукцию без предварительного уведомления.
Внешний вид и характеристики продукции могут отличаться от представленных на сайте.
|