Камеры статического давления PLR...N
(Polar Bear)


Камеры статического давления PLR...N предназна­чены для монтажа потолочных диффузоров с круглыми присоединительными патрубками в системах вентиляции и кондиционирования. Они обеспечивают выравнивание и стабилизацию воздушного потока, поступающего в диффузор, что существенно улучшает условия формирования и аэродинамические характеристики образуемых диффузорами воздушных струй.

Камеры статического давления изготавливаются из оцинкованной стали и оснащаются встроенными звукопоглощающими панелями и регулятором расхода воздуха, который позволяет измерять и регулировать количество проходящего через нее воздуха. Измерение производительности камеры осуществляется по падению давления на регуляторе расхода с помощью дифференциального манометра, подсоединяемого к измерительным патрубкам камер.

Регулятор расхода оснащается ручкой управления с градуировочной шкалой, деления которой соответствуют линиям на графиках круглых диффузоров, что позволяет точно установить необходимый для данного диффузора расход воздуха. Это помогает провести предварительную наладку оборудования и при необходимости скорректировать рабочую точку каждого диффузора без проведения дополнительных измерений и расчетов.

Монтаж диффузоров в камерах статического давления осуществляется за присоединительный патрубок, который крепится к патрубку камеры статического давления саморезами или заклепками. После чего камера статического давления присоединяется своим патрубком к воздуховоду.

1 – Регулятор расхода воздуха;

2 – Звукопоглощающие панели;

3 – Ручка управления регулятором расхода воздуха;

4 – Измерительные патрубки для подключения дифференциального манометра.



Характеристики камер статического давления
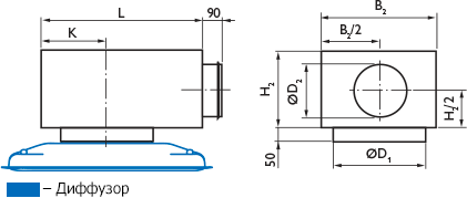
Модель ØD1, ØD2, H2, L, B2, K, Вес,
мм мм мм мм мм мм кг
PLR 100-125N 125 99 170 350 320 132 2,5
PLR 125-160N 160 124 170 450 320 152 3,0
PLR 160-200N 200 159 205 480 440 177 4,0
PLR 200-250N 250 199 245 630 480 210 5,5
PLR 250-315N 315 249 295 680 570 252 6,9
PLR 315-400N 400 314 360 680 570 252 8,0
.
Последнее обновление 20.12.21
Производитель оставляет за собой право вносить изменения в продукцию без предварительного уведомления.
Внешний вид и характеристики продукции могут отличаться от представленных на сайте.