Симисторные регуляторы температуры ТТС
(Regin)

Технические характеристики | Схема подключения

    Симисторные регуляторы температуры предназначены для поддержания заданной температуры с помощью изменения мощности трёхфазных электрических нагревателей. Регулирование мощности происходит за счёт изменения времени включения и выключения полной мощности нагревателя (пропорциональное регулирование по времени). Время цикла устанавливается в диапазоне 6-60 секунд. Переключение нагрузки осуществляется полупроводниковыми приборами (симисторами) в тот момент, когда ток и напряжение на нагревателе равны нулю. Это уменьшает потребление электроэнергии, исключает возникновение электромагнитных помех и увеличивает время безотказной работы оборудования. Регуляторы имеют контакты для подключения внешних датчиков температуры, один из которых может быть использован для ограничения максимальной или минимальной температуры.
    Регуляторы автоматически изменяют закон управления в соответствии с динамикой объекта управления. Для быстро изменяющейся температуры, например, при регулировании температуры приточного воздуха они работают в режиме пропорциональноинтегрального регулирования с фиксированной зоной пропорциональности 20 К и временем интегрирования равным 6 мин. Для медленно изменяющейся температуры, например, при регулировании температуры в помещении они работают в режиме пропорционального регулирования с фиксированной зоной пропорциональности 2 К. В регуляторе предусмотрено понижение температуры в ночной период с помощью блока NS/D.
    Если мощность электронагревателя превышает предельно допустимую для регулятора, то можно разделить нагрузку на несколько ступеней и управлять ими, используя вместе с регулятором ТТС25/ТТС40F/ ТТС63F/ТТС80F вспомогательный блок TT-S4/D или TT-S6/D.


Технические характеристики

Тип регулятора   TTC25 TTC40F TTC63F TTC80F
Напряжение В/Гц 400/50, 3 фазы
Макс. мощность управления кВт 17 27 42 53
Потребляемая мощность Вт 50 70 120 150
Макс./мин. ток нагрузки на фазу А 25/3 40/4 63/5 80/5
Степень защиты   IP 20
Диапазон регулирования температуры °C 0–30
Минимальная температура °C 0–30
Максимальная температура °C 20–60
Длительность цикла с 6–60
Сигналы управления xвыход) В 0–10
Размеры мм 192x198x95 192x222x95 195x220x105 195x220x105
Вес кг 1.9 2.0 2.9 3.0
.



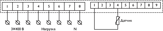
Схема подключения




Последнее обновление 07.09.09