Программируемые пятиступенчатые регуляторы скорости VRCT-L
(Polar Bear)

Трехфазные программируемые пятиступенчатые регуляторы VRCT-L предназначены для управления скоростью вращения электродвигателей вентиляторов посредством изменения питающего напряжения.

Переключение скоростей электродвигателя (максимальная скорость / минимальная скорость / выключено) осуществляется автоматически по командам встроенного программируемого годового таймера или вручную кнопками управления. Выходное напряжение, соответствующее максимальной и минимальной скорости, может быть выбрано из следующих значений: 130-170-210-250-290-330-400 В. На передней панели регулятора расположен ЖК-дисплей, отображающий основную информацию.

Допускается управление несколькими двигателями, если общий потребляемый ток двигателей не превышает номинального тока регулятора.

В регуляторах скорости предусмотрен нерегулируемый выход 230 В, который может использоваться для подключения электроприводов воздушных заслонок или другого оборудования. Кроме того, у регуляторов есть нормально замкнутый и нормально разомкнутый контакты для внешнего управления.

Корпус регуляторов изготовлен из окрашенной стали. Входная цепь регуляторов защищена плавкими предохранителями.

Защита двигателя

Рекомендуется подключать к регуляторам электродвигатели с вынесенными термоконтактами тепловой защиты, которые подсоединяются к клеммам ТК регулятора.

Если двигатель не имеет термоконтактов, необходимо установить устройство тепловой защиты электродвигателя



Технические характеристики
 
Модель Напряжение, Макс. ток, Степень  Габаритные размеры,  Вес,
В/Гц A защиты  ВхШхГ, мм кг
VRCT-L 2,5 400/50 2,5 IP 54 325x300x150 13,2
VRCT-L 4 400/50 4 IP 54 425x300x200 20,0
VRCT-L 8 400/50 8 IP 54 430x400x200 29,7
VRCT-L 11 400/50 11 IP 54 430x400x200 36,3
.

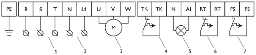
Cхема подключения

  1. Напряжение питания 400 В
  2. Нерегулируемый выход 230 В, 2 А
  3. Электродвигатель
  4. Термоконтакты электродвигателя
  1. Выход для аварийного сигнала 230 В, 1 A
  2. Контакты НЗ для внешнего управления
  3. Контакты НО для внешнего управления

Последнее обновление 04.06.16
Производитель оставляет за собой право вносить изменения в продукцию без предварительного уведомления.
Внешний вид и характеристики продукции могут отличаться от представленных на сайте.