Пятиступенчатые регуляторы скорости VRTT-L
(Polar Bear)

Трехфазные пятиступенчатые регуляторы VRТT-L предназначены для управления скоростью вращения электродвигателей вентиляторов посредством изменения питающего напряжения.

Регулирование скорости электродвигателей осуществляется вручную с помощью выбора требуемого положения ручки переключателя (0 – выкл., 1 – мин. скорость, 5 – макс. скорость, 2, 3, 4 – промежуточные положения). Выходное напряжение: 0-130-145-185-240-400 В.

Допускается управление несколькими двигателями, если общий потребляемый ток двигателей не превышает номинального тока регулятора.

В регуляторах скорости предусмотрен нерегулируемый выход 230 В, который может использоваться для подключения электроприводов воздушных заслонок или другого оборудования. Кроме того, у регуляторов есть нормально замкнутый и нормально разомкнутый контакты для внешнего управления.

Корпус регуляторов изготовлен из окрашенной стали. Индикаторные лампочки на передней панели показывают состояние регулятора. Входная цепь регуляторов защищена плавкими предохранителями.

Защита двигателя

Рекомендуется подключать к регуляторам электродвигатели с вынесенными термоконтактами тепловой защиты, которые подсоединяются к клеммам ТК регулятора.

Если двигатель не имеет термоконтактов, необходимо установить устройство тепловой защиты электродвигателя.



Технические характеристики
 
Модель Напряжение, Макс. ток, Степень  Габаритные размеры,  Вес,
В/Гц A защиты  ВхШхГ, мм кг
VRTT-L 1,5 400/50 1,5 IP 54 325x300x175 11,9
VRTT-L 2,5 400/50 2,5 IP 54 325x300x175 13,3
VRTT-L 4 400/50 4 IP 54 425x300x175 18,5
VRTT-L 6 400/50 6 IP 54 425x300x235 22,6
VRTT-L 8 400/50 8 IP 54 425x300x235 27,8
VRTT-L 11 400/50 11 IP 54 430x300x235 38,5
.

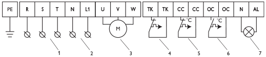
Cхема подключения

  1. Напряжение питания 400 В
  2. Нерегулируемый выход 230 В, 2 A
  3. Электродвигатель
  4. Термоконтакты электродвигателя
  1. Контакты НЗ для внешнего управления
  2. Контакты НО для внешнего управления
  3. Выход для аварийного сигнала 230 В, 1 A

Последнее обновление 04.06.16
Производитель оставляет за собой право вносить изменения в продукцию без предварительного уведомления.
Внешний вид и характеристики продукции могут отличаться от представленных на сайте.